Задвижка 30нж45нж
Расшифровка: 30 — задвижка; нж — нержавеющий корпус; 45 — номер модели; нж — уплотнитель из нержавейки
Задвижка 30нж45нж | Челябинская Арматура
Наличие:
В наличии на складе
Оставить заявку
Скачать опросный лист
| Технические характеристики | |
| Тип | Задвижка |
| Материал корпуса | Сталь нержавеющая |
| Управление | Ручное |
| Уплотнитель | Сталь нержавеющая |
| Присоединение | Фланцевое |
| Температура среды | до 565°С |
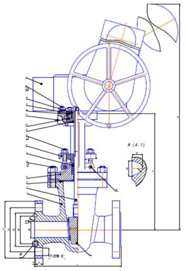
Размеры на задвижку 30нж45нж с ручным управлением
| Наименование | Стоимость, руб. |
|---|---|
| Задвижка нержавеющая Ду 80 Ру 160 30нж45нж (пр-во KITZ) | Запросить цену |
| Задвижка нержавеющая Ду 100 Ру 160 30нж45нж (пр-во Япония) | Запросить цену |
| Технические характеристики задвижки | |
|---|---|
| Вес: | 66-285 кг |
| Строительная длина L: | 300-600 мм |
| Диаметр условный Ду(Dn): | 50-150 мм |
| Макс. рабочее давление Ру: | 160 кгс/см2 |
| Управление: | Ручное |
| Присоединение: | Фланцевое |
| Температура среды: | до 565°С |
| Материалы основных деталей: | Нержавеющая сталь |
| Тип присоединения: | Фланцевое |
| Класс герметичности: | А (по ГОСТ 9544-2005) |
| Производство: | Россия |
Применение задвижки клиновой
Описание задвижки 30нж45нж
При производстве используются нержавеющие стали различных марок.
- Максимальное давление — 16 МПа.
- Максимальная температура — +565°С.
- Тип присоединения — фланцевый.
- Управление — ручное.
Задвижки Ду 80 и 100 в наличии на складе. Возможна доставка по России.
Чертеж задвижки 30нж45нж

Сертификаты на продукцию
Доставка и оплата
стоимость товара у
менеджера,
согласуйте заказ.
мы вышлем Вам на
электронный адрес.
менеджером сроки доставки.
комплект документов: счет-
фактуру, накладную,
сертификаты качества.
Похожие товары
Задвижка 31нж45нж
Задвижка 30нж976нж
Задвижка 30нж999нж
Задвижка 30нж99нж
Задвижка 30нж70нж
Задвижка 30нж65нж
Задвижка 30нж964нж
Задвижка 30нж564нж
Задвижка 30нж64нж
Задвижка 30нж947нж
Задвижка 30нж946нж
Задвижка 30нж46нж
Задвижка 30нж42нж
Задвижка 30нж941нж
Задвижка 30нж541нж
Задвижка 30нж41нж
Задвижка 30нж915нж
Задвижка 30нж15нж
Задвижка 31нж11нж
Задвижка 31нж9нж
Адрес
График работы